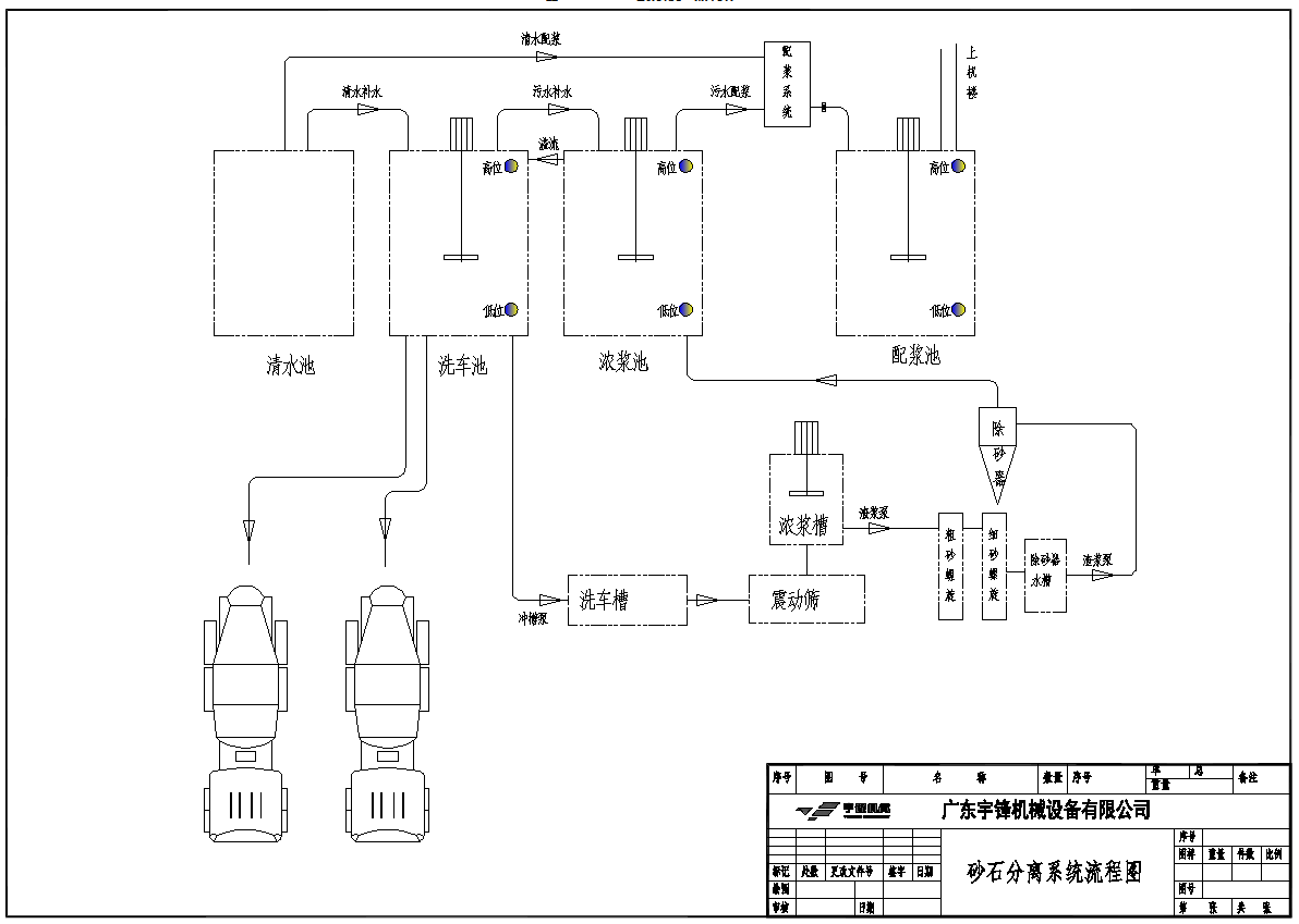
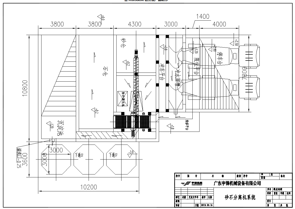
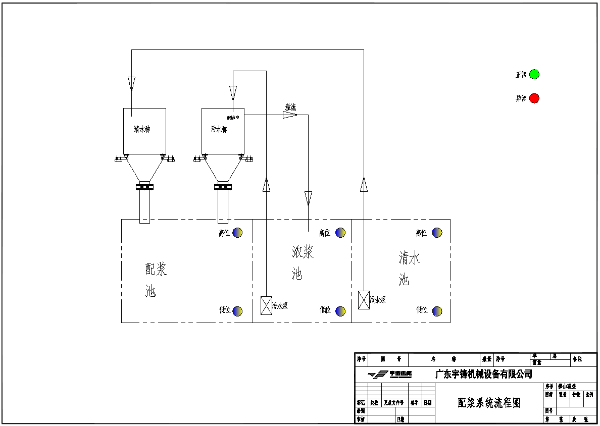
砂石分離機-技術參數工藝流程
時間:2021-10-22 瀏覽量:1745
產品簡介



主要技術參數
|
設備功率: |
13KW |
|
主設備外形尺寸: |
1700x2900x1900 |
|
配料斗容積: |
1.5m3×2 |
|
原漿污水濃度要求: |
小于20% |
|
成品漿水濃度范圍: |
3%---15% |
|
單次配漿量: |
1.2m3(濃度按8%計算)約1300KG |
|
單次配漿用時: |
小于90S |
|
每日連續配漿5小時,配漿量約260噸 | |
|
每方混凝土用污水量80kg,單日工作5小時配漿量可滿足生產3250方混凝土 | |




